Zum Hauptinhalt springen
Maschinen
Werkzeuge
Auf Lager
Referenzen
Unternehmen
Über uns
Karriere
Service
Kontakt
Sales
Abkantmaschinen
Konfigurator starten
Hydraulische Abkantpressen
CNC-Presse
Abkantpresse
C-Line hydraulisch 100 - 1500 t
Schwenkbiegemaschine
Abkantmaschine
Elektrische Abkantpressen
Kantbank
Kantpresse
Biegepresse
Autmoation
Biegezelle
Rundbiegemaschinen
Konfigurator starten
Runden Bleche
Rundbiegemaschine
Blechwalze
Rundwalze
Einrollmaschine
Blechrundbiege
Runden Profile
Profilbiegemaschine
Walzbiegemaschine
Profilbieger
Profilwalze
Sonderlösungen
Richtmaschine
Sondermaschinen
Handling Systeme
Schneidemaschinen
Konfigurator starten
Zuschnitt Blechplatinen
Tafelschere
Schwingschnittschere
Schlagschere
Motorschere
Formschneiden
Wasserstrahlschneidmaschine
Wasser-Plasma-Schneidanlage
Wasserstrahlschneidanlage
Formschneiden Metall
Plasmaschneider
Plasmaschneidmaschine
CNC-Plasmaschneidanlage
Laser-Schneidanlage
Abkantwerkzeuge
Produktübersicht
Menü Schließen
Oberwerkzeuge
Produktübersicht
Werkzeugaufnahme WILA
Werkzeugaufnahme SYSTEM
Unterwerkzeug
Produktübersicht
Werkzeugaufnahme WILA
Werkzeugaufnahme SYSTEM
Radienwerkzeug
Produktübersicht
Werkzeugaufnahme WILA
Werkzeuafnahme SYSTEM
Zudrückwerkzeug
Produktübersicht
Werkzeugaufnahme WILA
Werkzeugaufnahme SYSTEM
Abkantfolie
Produktübersicht
Werkzeugaufnahme WILA
Werkzeugaufnahme SYSTEM
Werkzeugschrank
Produktübersicht
Menü Schließen
Schneiden
Produktübersicht
Tafelschere HGR2006
Tafelschere HGR1204
Tafelschere HGR3006
Tafelschere HGR6006
Tafelschere HGR3016
Motorschere A05-1500
Motorschere A04-2000
Schwingschnittschere B06-3000
Schwingschnittschere B10-3000
Schlagschere C06-3000
Formschneiden
Produktübersicht
Plasmaschneidanlage Rubin HQ 1500x3000 Kjellberg Q1500
Plasmaschneidanlage EPR-ECO 1530 CF100
Kanten
Produktübersicht
Elektrische Abkantpresse PRCE4020
Schwenkbiegemaschine HF-MFB2030
Kantpresse A100-2600
Gesenkbiegepresse B175-3100
Gesenkbiegepresse B220-3100
Gesenkbiegepresse C220-3100 7-Achsen
Gesenkbiegepresse B400-4100
Industrie-Abkantpresse PRL20030
Industrie-Abkantpresse PRL20035
Hydraulische Kantbank PRCB10020
Runden
Produktübersicht
Rundwalze HR4W2008
Variable Rundbiegemaschine MGV30-0110
Rundbiegemaschine MG4R2010
Rundbiegemaschine MG4R3014
Rundbiegemaschine MG4R3022
Profilbiegemaschine MG3P110
Menü Schließen
Über uns
Produktübersicht
Karriere
Produktübersicht
Menü Schließen
Abkantmaschinen
Hydraulische Abkantpressen
CNC-Presse
Abkantpresse
C-Line hydraulisch 100 - 1500 t
Schwenkbiegemaschine
Abkantmaschine
Elektrische Abkantpressen
Kantbank
Kantpresse
Biegepresse
Autmoation
Biegezelle
Rundbiegemaschinen
Runden Bleche
Rundbiegemaschine
Blechwalze
Rundwalze
Einrollmaschine
Blechrundbiege
Runden Profile
Profilbiegemaschine
Walzbiegemaschine
Profilbieger
Profilwalze
Sonderlösungen
Richtmaschine
Sondermaschinen
Handling Systeme
Schneidemaschinen
Zuschnitt Blechplatinen
Tafelschere
Schwingschnittschere
Schlagschere
Motorschere
Formschneiden
Wasserstrahlschneidmaschine
Wasser-Plasma-Schneidanlage
Formschneiden Metall
Plasmaschneider
Plasmaschneidmaschine
CNC-Plasmaschneidanlage
Laser-Schneidanlage
Werkzeuge
Oberwerkzeuge
Unterwerkzeug
Radienwerkzeug
Zudrückwerkzeug
Abkantfolie
Werkzeugschrank
Auf Lager
Schneiden
Formschneiden
Kanten
Runden
Referenzen
Unternehmen
Über uns
Karriere
Service
Finanzierung
Technischer Kundenservice
Lieferung
Inbetriebnahme
Schulung
Sicherheitsunterweisung
Wartung
Hydrauliköl Service
Wartungsvertrag
Pressenprüfung BGV
Messer Tafelschere
Kontakt
Sales
Unterwerkzeug SYSTEM-Klemmung
Matrizen für die SYSTEM Klemmung
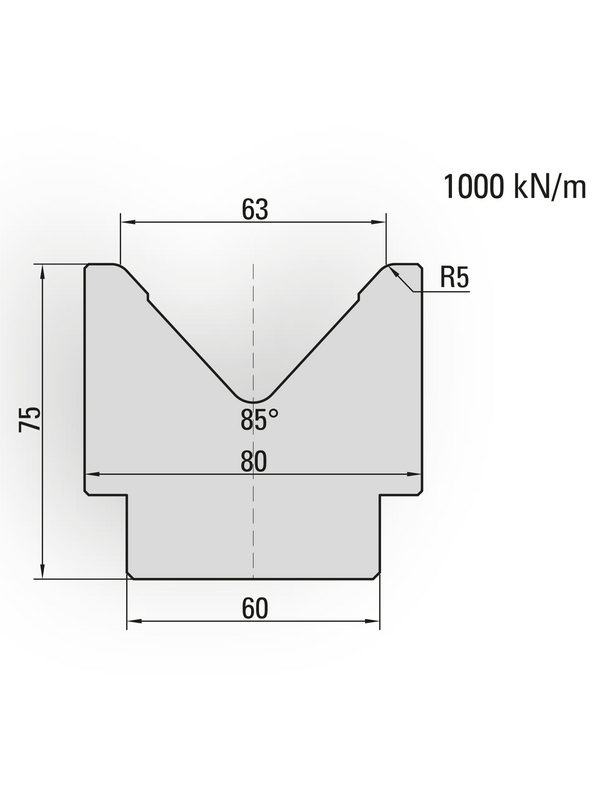
85° Matrize, V=63mm, R=5,0mm, H=75mm,
SYSTEM-Klemmung
Unterwerkzeug
Artikelnummer
20213-415H00050
Winkel
85°
Öffnungsweite
63 mm
Werkzeughöhe
60 mm
Gesamtgewicht
14.5 kg
B=80mm, L=415mm, UKB-System Amada
210 €
zzgl. 19% MwSt.
zzgl. Versandkosten
Artikelnummer
20213-800SH00050
Winkel
85°
Öffnungsweite
63 mm
Werkzeughöhe
60 mm
Gesamtgewicht
27.9 kg
B=80mm, L=800mm sektioniert in
10/15/15/20/40/50/100/150/400mm, UKB-System Amada
610 €
zzgl. 19% MwSt.
zzgl. Versandkosten
Artikelnummer
20213-835H00050
Winkel
85°
Öffnungsweite
63 mm
Werkzeughöhe
60 mm
Gesamtgewicht
29.1 kg
B=80mm, L=835mm, UKB-System Amada
360 €
zzgl. 19% MwSt.
zzgl. Versandkosten
Zurück zur Übersicht